专注NTC温度传感器及热敏电阻研发制造

全国咨询热线:151-5068-4491
025-5239-0195
159-9633-6287

商务
测温型NTC热敏电阻在电路中的读取方法(二)
返回列表 来源: 发布日期: 2020.06.02 浏览量:1

NTC热敏电阻(Negative Temperature Coefficient Thermistor)是一种阻值随温度升高而下降的电阻器件。本质上是一种具有较大负温度系数的电阻器,利用它所具有的这一温度特性(即阻值R与温度T之间的负相关性R-T图)。它不仅被广泛的应用在各种电源,电机控制等大电流、高电压电路场合中用来抑制吸收、消除电路暂态过程中的浪涌电压和电流(功率型NTC热敏电阻主要功能),而且它还广泛的应用于各种电子温度测量仪表、电子开关、家用电器等设备中,其主要作用是用来作为精确测量和温度精确控制的敏感元件,它和热电偶,铂电阻(PT100、Cu100等),被称为测温领域中最常用的三大敏感元件之一。

4

由于NTC电阻的阻值R和温度T有某种函数关系,因此,就可以根据NTC热敏电阻的阻值来间接感知被测对象的温度值,这样一来,测量(感知)被测对象的温度值就变成了如何去检测NTC热敏电阻的阻值问题,常用的具体的读取电路(采样值的获取电路)如下:

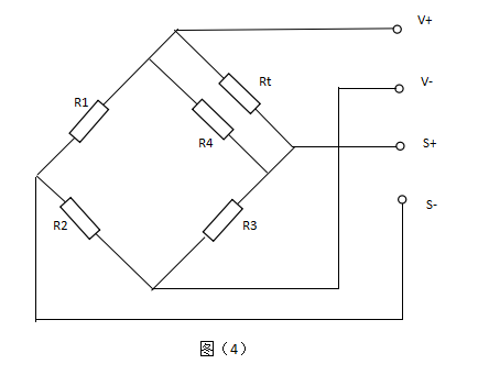
(三)变形的惠斯顿电桥读取电路:见图(4)。

原理:众所周知,NTC热敏电阻的R-T特性总在某段温区内存在着非线性,这种非线性给某些需要宽温区全程测量的应用带来了一定的困难,就是需在读取阻值变化值時要进行适当的非线性矫正,非线性越大矫正起来越难。为降低非线性矫正的难度通常在NTC热敏电阻Rt的两端,并联适当电阻R4,其目的就是降低Rt阻值在随温度变化时的非线性程度,以利于矫正电路的设计。但同时也会相应降低NTC热敏电阻对温度的敏感性。

特点:读取数据精度较高,温度覆盖范围广,成本略高。

△V的数值与恒压源的稳定性和精度有关,与NTC热敏电阻的自热有关。△V的大小范围与恒压源的大小及R1,R2,R3的大小有关。

5

(四)高精度、宽范围数据读取采样电路(凯尔文电桥电路)。

当需要测量温度的精度达到万分之一,千分之一摄氏度時,被测电阻的引线电阻值和电桥电路构成的引线电阻值都不能忽略时,在现代电测技术,精准自控测量领域普通使用凯尔文电桥技术来完成随温度变化的阻值数据读取方式,电路如图(5)所示。

电路采用双臂桥路构成,有效的消除了测温元件和电路构成引线电阻值和相应的接触电阻对测量精度的影响。此种电路广泛的应用于科学研究、天体空间之间和某些军工制造等测量领域中。目前,用此种电路构成的测温电路,可测温度范围已达到K~K 范围。

6

咨询热线

151-5068-4491
备案号: 苏ICP备11025405号 网站版权注册 仿冒必究!    HTML地图   XML地图